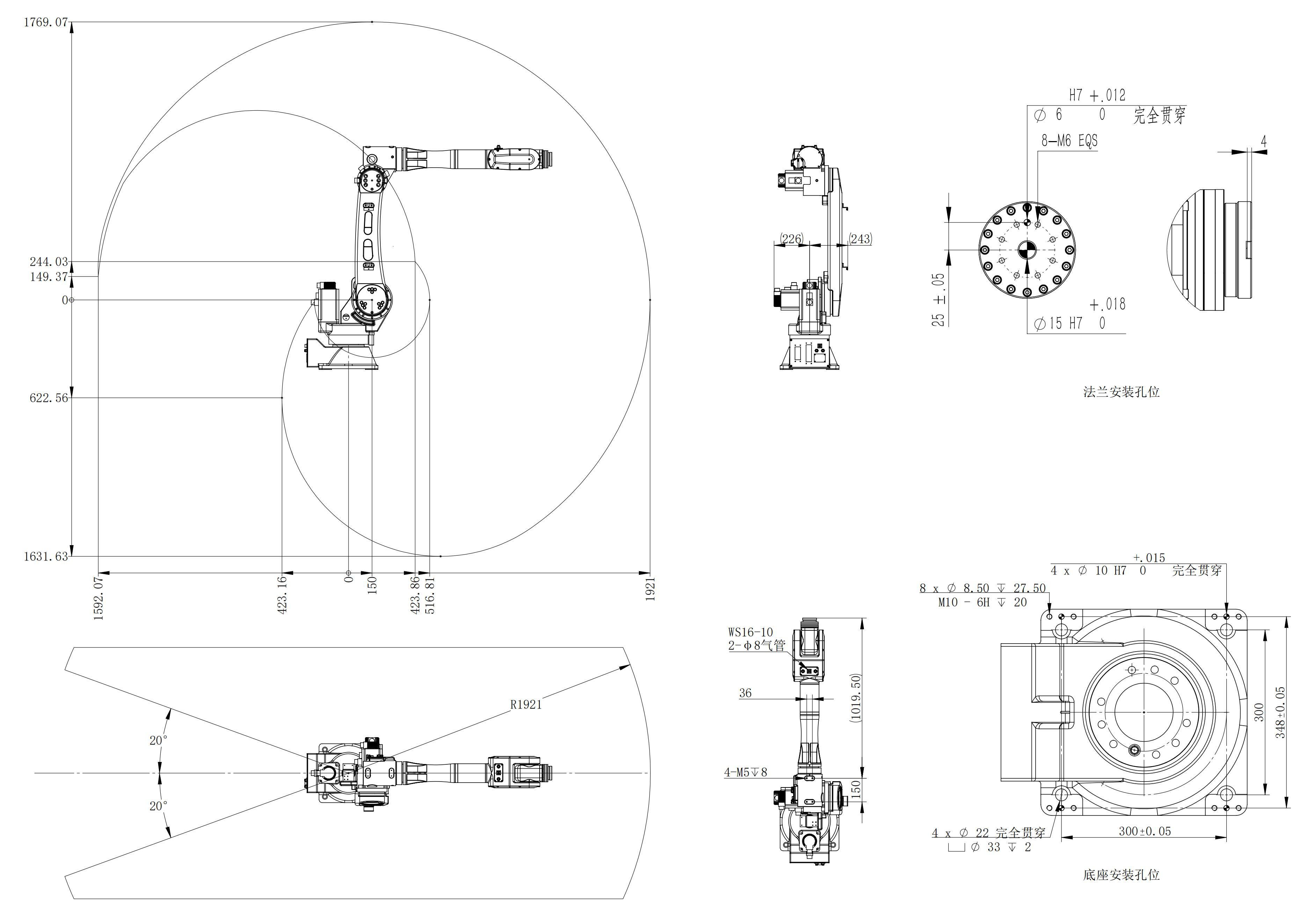
型號:TR30-1920B(原TKB3690) 負載:30kg 臂長:1920mm

參數表
| TR30-1920B | |||
| 額定負載 | 30kg | ||
| 臂長 | 1920mm | ||
| 重復定位精度 | ±0.05mm | ||
| 防護等級 | IP54/IP67(5、6軸可選) | ||
| 結構形式 | 垂直多關節串聯結構 | ||
| 軸數 | 6 | ||
| 最大速度 | J1 | 186°/s | |
| J2 | 170°/s | ||
| J3 | 200°/s | ||
| J4 | 452°/s | ||
| J5 | 330°/s | ||
| J6 | 450°/s | ||
| 最大動作范圍 | J1 | ±160° | |
| J2 | -80°~150° | ||
| J3 | -100°~80° | ||
| J4 | ±150° | ||
| J5 | ±110° | ||
| J6 | ±360° | ||
| 腕部允許扭矩 | J4 | 62Nm |
|
| J5 | 62Nm | ||
| J6 | 35Nm | ||
| 腕部允許最大慣量 | J4 | 1.5kgm2 | |
| J5 | 1.5kgm2 | ||
| J6 | 0.7kgm2 | ||
| 額定功率 | 5.2kw | ||
| 用戶配線 | RVV10*0.2 | ||
| 用戶配管 | 2*Φ8mm | ||
| 用戶配電 | 三相AC380V-10%~+10% | ||
| 適用環境 | 運行環境溫度 | 0~45°C | |
| 環境濕度 | 10%~80%RH | ||
| 最大溫度梯度 | 1.5°C/min | ||
| 本體重量 | 220kg |
||
| 適用控制柜 | TRC5-B06 | ||
| 安裝方式 | 落地 |
||
參數圖

