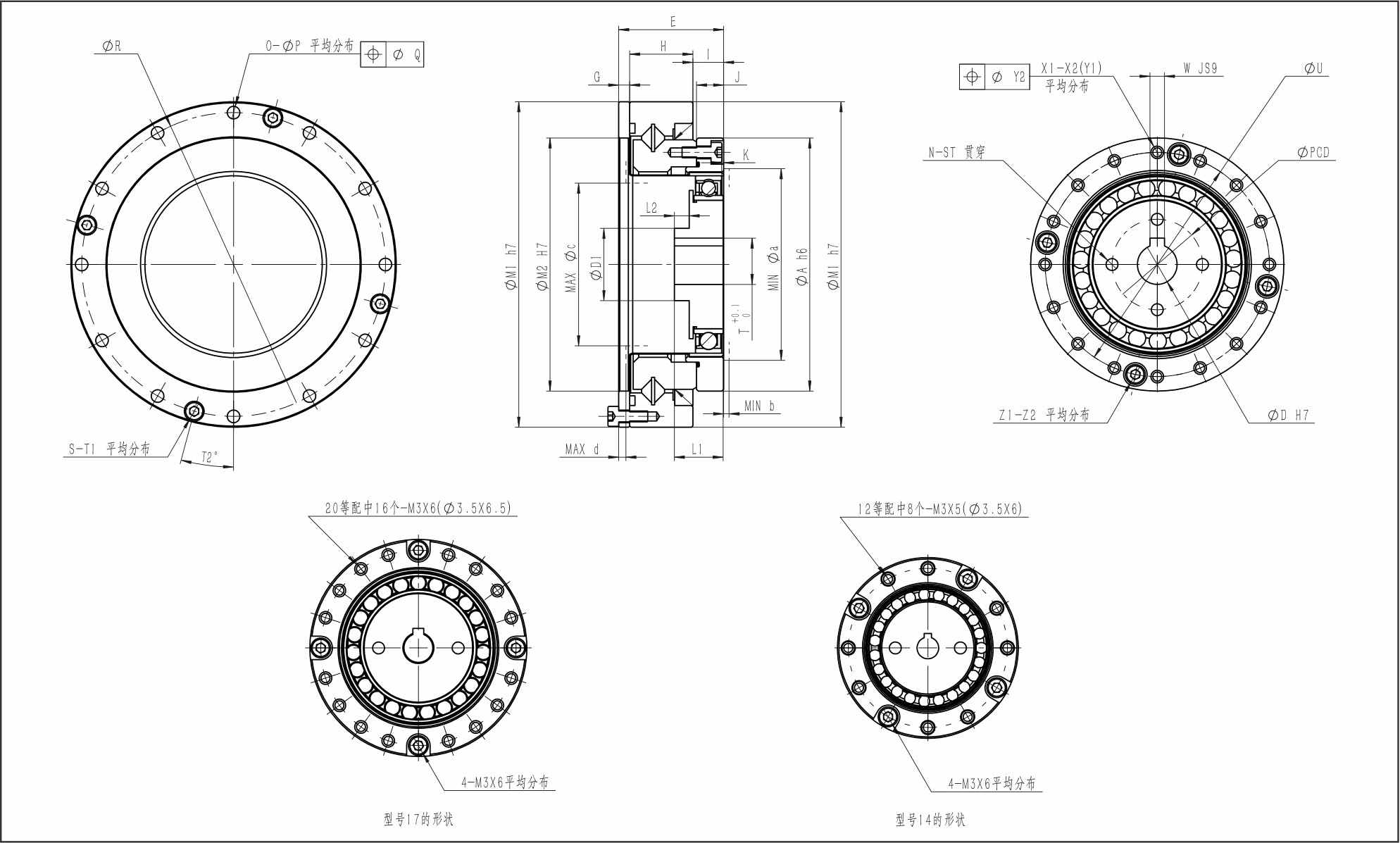
HMHG-Ⅱ系列柔輪為中空翻邊形標準結構,整機結構緊湊,輸入軸通過十字滑塊聯軸器與波發生器內孔連接。既可采用剛輪端固定,柔輪端輸出的連接方式使用;也可采用柔輪端固定,剛輪端輸出的連接方式使用。
-
產品特點
扁平形狀&標準結構
緊湊簡潔的設計無齒隙輸入輸出同軸優良的定位精度和旋轉精度


HMHG-Ⅱ系列柔輪為中空翻邊形標準結構,整機結構緊湊,輸入軸通過十字滑塊聯軸器與波發生器內孔連接。既可采用剛輪端固定,柔輪端輸出的連接方式使用;也可采用柔輪端固定,剛輪端輸出的連接方式使用。
產品特點


客服電話
0513-88851556
上班時間
周一到周五